產品概述
Q61F不銹鋼三片式對焊球閥屬于手動類球閥。球閥是用帶有圓形通道的球體作啟閉件,球體隨閥桿轉動實現啟閉動作的閥門。球閥的啟閉件是一個有孔的球體,繞垂直于通道的軸線旋轉,從而達到啟閉通道的目的。球閥主要用于截斷或接通管道和設備介質,也可用于流體的調節與控制,球閥流體阻力小,結構簡單,體積小,重量輕,緊密可靠,操作維修方便,不會引起閥門密封面的侵蝕,適用范圍廣。 廣泛用于城建、化工、冶金、石油、制藥、食品、飲料、環保等。
主要特點
1.公稱壓力:1.6-6.4MPa
2.適用溫度范圍:-20~232℃~350℃
3.適用介質:水、油、氣及某些腐蝕性液體(W.O.G)。
4.對焊標準(SW):GB12224·ANSI B16·25
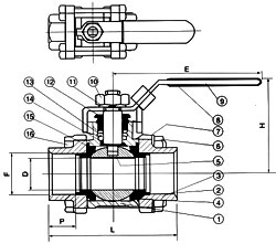
零件材料

Q61F不銹鋼三片式對焊球閥主要零件材料| 1 | 零件名稱 | 材質 |
| 2 | 閥體 | 不銹鋼CF8M | 碳鋼WCB |
| 3 | 密封圈 | 聚四氟乙烯PTFE | 聚四氟乙烯PTFE |
| 4 | 閥蓋 | 不銹鋼CF8M | 碳鋼WCB |
| 5 | 球體 | 不銹鋼SS316 | 不銹鋼SS304 |
| 6 | 閥桿 | 不銹鋼SS316 | 不銹鋼SS316 |
| 7 | 螺母 | 不銹鋼SS304 | 不銹鋼SS304 |
| 8 | 墊圈 | 不銹鋼SS304 | 不銹鋼SS304 |
| 9 | 手柄套 | 塑料 | 塑料 |
| 10 | 手柄 | 不銹鋼SS304 | 不銹鋼SS304 |
| 11 | 閥桿螺母 | 不銹鋼SS304 | 不銹鋼SS304 |
| 12 | 填料壓蓋螺母 | 不銹鋼SS304 | 不銹鋼SS304 |
| 13 | 填料 | 聚四氟乙烯PTFE | 聚四氟乙烯PTFE |
| 14 | 止推墊圈 | 聚四氟乙烯PTFE | 聚四氟乙烯PTFE |
| 15 | 填料 | 聚四氟乙烯PTFE | 聚四氟乙烯PTFE |
| 16 | 螺栓 | 不銹鋼SS304 | 不銹鋼SS304 |
連接尺寸
Q61F不銹鋼三片式對焊球閥主要技連接尺寸(mm)| SIZE | 1/4" | 143/8" | 17.51/2" | 3/4" | 1" | 1-1/4" | 1-1/2" | 2" | 2-1/2" | 3" | 4" |
| 11.6 | 12.7 | 15 | 20 | 25 | 32 | 38 | 50 | 65 | 80 | 100 |
| L | 60 | 60 | 70 | 85 | 95 | 110 | 130 | 150 | 190 | 210 | 268 |
| H | 50 | 50 | 130 | 130 | 165 | 165 | 190 | 190 | 250 | 250 | 280 |
| E | 100 | 100 | 22.7 | 27.5 | 33.5 | 42 | 48.6 | 60.5 | 76.3 | 90 | 106.5 |